888.BY集团电子游戏

888.BY集团电子游戏(中国)有限公司官网
888.BY集团电子游戏(中国)有限公司官网

手艺文章

首页 - 新闻资讯 - 手艺文章

怎样让您的装备遇上对的旋转讨论??? ??

宣布日期: 2018-08-17    浏览次数: 9245    新闻编辑: 

  近年来,,,, ,随着各工业的一直生长,,,, ,对旋转讨论的要求也愈来愈高,,,, ,如作甚装备挑选一款合适的旋转讨论,,,, ,让生产线运作起来更定心省力,,,, ,是每个用户的希望与宿愿,,,, ,今天,,,, ,888.BY集团电子游戏科技便与各人分享几条关于如作甚装备选择合适的旋转讨论的基本要领,,,, ,让您的装备遇上对的旋转讨论。。。。。。。


  一、手艺参数简直认

  选择合适的旋转讨论,,,, ,首先要确认清晰旋转讨论的手艺参数(使用参数)是基本包管的条件,,,, ,它包括介质、温度、转速和压力。。。。。。。即所想要选购的旋转讨论是用来通什么介质,,,, ,水、油、蒸汽或空气等流体介质??? ??介质的温度是几多??? ??管道的压力与装备旋转的转速是几多??? ??通过这四个基础手艺要素,,,, ,则大致确认了适用的旋转讨论类型。。。。。。。


  二、介质流向简直认

  旋转讨论的手艺参数确认好之后,,,, ,接下来还要确认介质流向,,,, ,旋转讨论的介质流向分为单通路、双通路及多通路,,,, ,它是凭证与旋转讨论毗连装备的结构来决议的:

  1.若是装备的结构决议了输入介质与输出介质划分在装备的两侧实现,,,, ,那么则选择单通路型旋转讨论。。。。。。。

  单通路

  用于向旋转辊、滚筒、气缸等的一端供应冷却水、油或者蒸汽等流体介质,,,, ,从反向端倾轧。。。。。。。


888.BY集团电子游戏(中国)有限公司官网

  2.若是装备的结构决议了输入介质与输出介质在装备的统一侧实现,,,, ,那么则选择双通路型旋转讨论。。。。。。。

  注:双通路型旋转讨论还需确认内管形式,,,, ,即牢靠式亦或旋转式,,,, ,凭证差别工况条件,,,, ,举行针对性配型。。。。。。。

  ①双通路内管牢靠式

  用于向旋转辊、气缸或者滚筒之中供应蒸汽或者水、油,,,, ,从统一端倾轧。。。。。。。


888.BY集团电子游戏(中国)有限公司官网

  ②双通路内管牢靠式

  此型差别处为烘缸內设有虹吸管,,,, ,冷凝水通过虹吸管倾轧,,,, ,此型多用于蒸汽。。。。。。。


888.BY集团电子游戏(中国)有限公司官网

  ③双通路内管旋转式

  向旋转中的辊、气缸、滚筒等之中供应或者倾轧水、蒸汽、热水或者热油时,,,, ,内管也必需一起旋转的情形下使用。。。。。。。


888.BY集团电子游戏(中国)有限公司官网

  3.若是装备要求同时运送多种介质或将介质输出送到多个位置时应思量选用多通路型旋转讨论。。。。。。。

888.BY集团电子游戏(中国)有限公司官网

多通路旋转讨论之一

  三、旋转讨论毗连形式及尺寸简直认

  旋转讨论是将流体介质由牢靠管道运送到旋转或摆旋一个角度的管道、装备中的流体动密封装置,,,, ,在动态装备与静态管道中心肩负着毗连、密封的主要角色,,,, ,其毗连形式及尺寸,,,, ,最终决议着购置到手的旋转讨论是否能“配得上”您的装备。。。。。。。

  因此首先凭证装备与旋转讨论毗连结构形式来确定是螺纹毗连照旧法兰毗连,,,, ,其中若是选择螺纹式毗连的旋转讨论,,,, ,则需区特殊螺纹或内螺纹,,,, ,并明确装备的旋转偏向(若在装置旋转讨论的一侧视察到装备是顺时针运转,,,, ,则旋转讨论应选左旋螺纹,,,, ,反之则同理),,,, ,若是选择法兰式毗连,,,, ,则需确认法兰毗连形式,,,, ,大致可分为内螺纹法兰毗连、快换法兰式毗连(卡口式法兰)、焊接法兰式毗连、整体法兰式毗连。。。。。。。


888.BY集团电子游戏(中国)有限公司官网


888.BY集团电子游戏(中国)有限公司官网

  确认完旋转讨论的毗连方法后,,,, ,还需确认其毗连尺寸,,,, ,即旋转讨论与装备的毗连尺寸,,,, ,双通路旋转讨论还需确认内管尺寸。。。。。。。若为螺纹毗连旋转讨论需确认其通径、外径及牙距;;;;;若为法兰式毗连,,,, ,则凭证法兰毗连形式确认响应的尺寸。。。。。。。

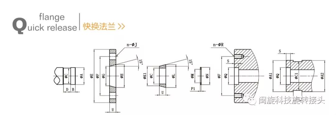
  例:快换法兰式毗连确认尺寸图

888.BY集团电子游戏(中国)有限公司官网

  别的,,,, ,还需提供旋转讨论与金属软管相连的接口形式及尺寸。。。。。。。

888.BY集团电子游戏(中国)有限公司官网

  四、其它思量因素

  选择一款合适的旋转讨论,,,, ,除确认以上三概略素外,,,, ,同时也可思量其它综合要素,,,, ,如旋转讨论的品牌、制造商的服务、售后、交期等因素,,,, ,以使旋转讨论施展到最大工效并用得满意、舒心。。。。。。。

  最后,,,, ,当您要选择或购置旋转讨论时,,,, ,一定要清晰的知道旋转讨论用在那里、手艺参数(若旋转讨论上有标牌亦可直接报予制造厂,,,, ,更便于直接选型参照)、有无其他特殊要求,,,, ,与相关方多多相同,,,, ,以期选购到一款最合适的旋转讨论。。。。。。。

888.BY集团电子游戏(中国)有限公司官网

  每一段相遇,,,, ,都是运气中最好的安排,,,, ,为您的装备提供清静运送流体介质的最佳产品,,,, ,是我们持之起劲的偏向,,,, ,爱和信托,,,, ,都要专心谋划,,,, ,专心守候,,,, ,888.BY集团电子游戏科技愿为您的生产线保驾护航,,,, ,一起与您走幸福路。。。。。。。

Copyright ?888.BY集团电子游戏 版权所有 闽ICP备05026600号 中机标准化研究院 网站建设:科伟网络

【网站地图】【sitemap】