888.BY集团电子游戏

888.BY集团电子游戏(中国)有限公司官网
888.BY集团电子游戏(中国)有限公司官网

旋转讨论

首页 - 产品展示

888.BY集团电子游戏(中国)有限公司官网

MXB型 单通路

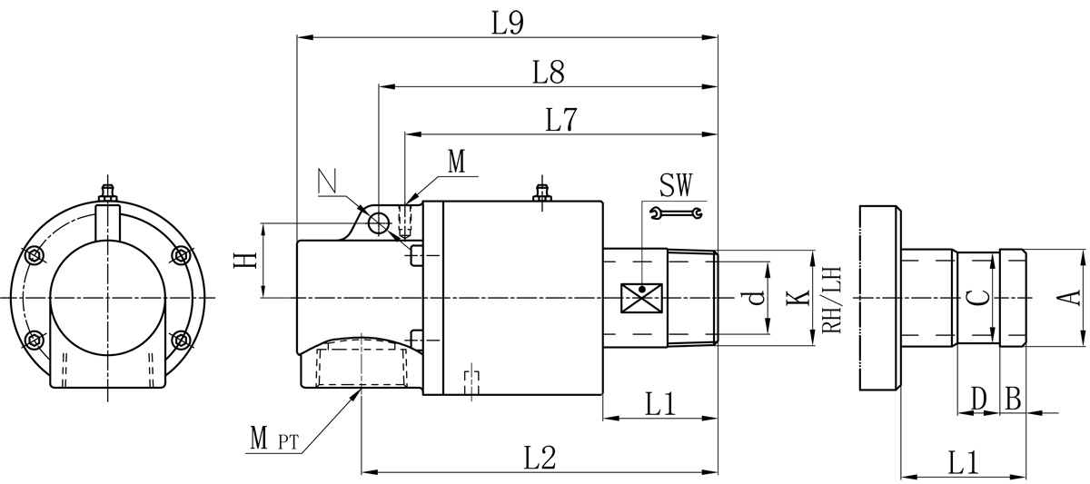
型号:MXBWMT、MXBWMQ
外管:螺纹或法兰
特征:平面式密封设计;;;;; ; 多弹簧设计;;;;; ; 弹簧外置平衡设计;;;;; ; 自支持式设计;;;;; ; 标准碳石墨密封设计;;;;; ; 平衡式非金属组合摩擦设计或平衡式非金属摩擦副设计;;;;; ; 高精度金属轴承支持;;;;; ; 单通路或双通路设计;;;;; ; 同心度高;;;;; ; 低扭矩;;;;; ; 适用高转速;;;;; ; 分体式设计;;;;; ; 便于维护。。。。。。

手艺参数:
适用介质 水、油
最高温度 ≤120℃(水)、≤300℃(油)
最高压力 ≤1.0MPa
最高转速

15A-80A≤3000rpm


产品咨询 返回列表

销售服务热线:

0595-8686 1188

888.BY集团电子游戏(中国)有限公司官网


Model K M d L1 L2 L7 L8 L9 M N H SW 法兰式外管尺寸比照表
A B C D
15A R1/2” Rc1/2” 13 35 113 104 / 128 M6 / / 22 / / / /
20A R3/4” Rc3/4” 17 42 132 121 / 150 M6 / / 26 26 11 24 16
25A R1” Rc1” 21 42 138 124 / 159 M6 / / 32 34 12 32 18
32A R1-1/4” Rc1-1/4” 30 50 160 141 / 188 M8 / / 41 40 13 38 20
40A R1-1/2” Rc1-1/2” 36 57 176 155 168 206 M6 10 37 46 47.8 13 45 20
50A R2” Rc2” 46 70 202 175 189 240 M8 10 44 57 60 16 57 24

如属规格品外,,,,,,,本公司可配合要求制作。。。。。。
规格尺寸若有修改,,,,,,,恕不另行通知。。。。。。

Copyright ?888.BY集团电子游戏 版权所有 闽ICP备05026600号 中机标准化研究院 网站建设:科伟网络

【网站地图】【sitemap】