888.BY集团电子游戏

888.BY集团电子游戏(中国)有限公司官网
888.BY集团电子游戏(中国)有限公司官网

旋转讨论

首页 - 产品展示

888.BY集团电子游戏(中国)有限公司官网

MXQ型 旋转讨论 (全法兰)

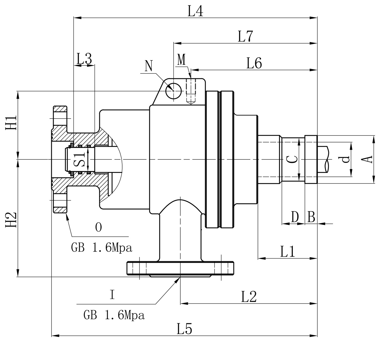
型号:MXQ
外管:法兰
特征:适用于蒸汽、热油介质;;; ;; 正球面或反球面密封;;; ;; 标准浸锑或碳石墨密封设计;;; ;; 细密铸铁壳体;;; ;; 可自动调心;;; ;; 偏摆顺应性强。。。。。。。。

手艺参数:
适用介质 蒸汽、热油
最高温度 ≤350℃(热油)、≤220℃(蒸汽)
最高压力 ≤1.8MPa
最高转速 ≤250rpm

产品咨询 返回列表

销售服务热线:

0595-8686 1188

888.BY集团电子游戏(中国)有限公司官网


Model I O S1 d L1 L2 L3 L4 L5 L6 L7 N M H1 H2 法兰式外管尺寸比照表
A B C D
25A DN15 DN15 15 23.5 53 112 30 197 213 110 / / M10 / 100 34 10 32 18
40A DN25 DN25 25 36 63 143 22 254 277 132 150 16 M10 71 122 49.8 13 45 20
如属规格品外,,,,, ,,,本公司可配合要求制作。。。。。。。。
规格尺寸若有修改,,,,, ,,,恕不另行通知。。。。。。。。

Copyright ?888.BY集团电子游戏 版权所有 闽ICP备05026600号 中机标准化研究院 网站建设:科伟网络

【网站地图】【sitemap】