
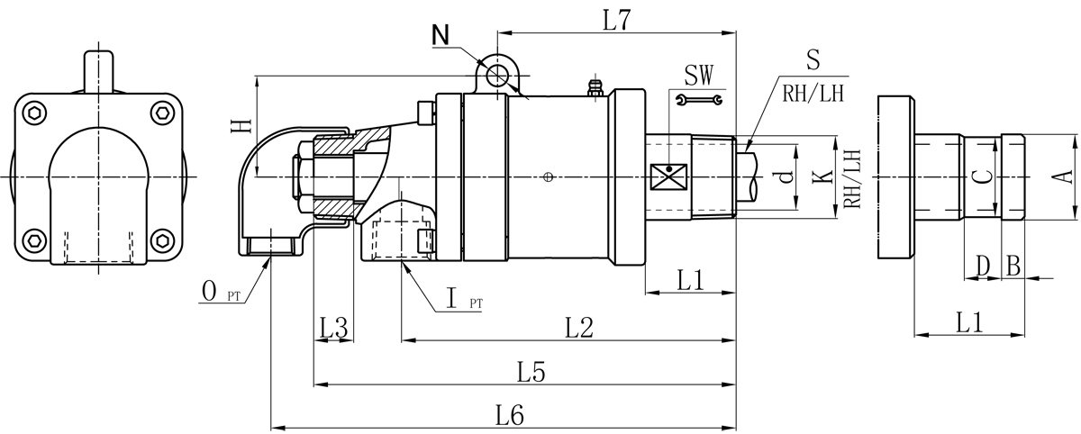
| Model | K | I | O | S | d | L1 | L2 | L3 | L5 | L6 | L7 | N | H | SW | 法兰式外管尺寸比照表 | |||
| A | B | C | D | |||||||||||||||
| 20A | R3/4" | Rc3/4" | Rc1/2" | Rp1/4" | 18 | 48 | 147 | 22 | 180 | 199 | 107 | 8 | 37 | 26 | 26 | 11 | 24 | 16 |
| 25A | R1" | Rc3/4" | Rc1/2" | Rp3/8" | 22 | 50 | 153 | 27 | 198 | 213 | 112 | 10 | 44 | 30 | 34 | 12 | 32 | 18 |
| 32A | R1-1/4" | Rc1" | Rc1/2" | Rp1/2" | 30 | 60 | 176 | 31 | 224 | 236 | 129 | 12 | 55 | 41 | 40 | 13 | 38 | 20 |
| 40A | R1-1/2" | Rc1-1/4" | Rc3/4" | Rp3/4" | 36 | 46 | 197 | 33 | 255 | 272 | 148 | 12 | 57 | 45 | 47.8 | 13 | 45 | 20 |
| 50A | R2" | Rc1-1/2" | Rc1" | Rp1" | 46 | 77 | 240 | 46 | 313 | 326 | 178 | 12 | 72 | 58 | 60 | 16 | 57 | 24 |
| 65A | R2-1/2" | Rc2" | Rc1-1/4" | Rp1-1/4" | 60 | 88 | 273 | 52 | 358 | 386 | 207 | 14 | 92 | 70 | 74 | 19 | 70 | 24 |
如属规格品外,,,,,,,本公司可配合要求制作。。。。。。。
规格尺寸若有修改,,,,,,,恕不另行通知。。。。。。。
Copyright ?888.BY集团电子游戏 版权所有 闽ICP备05026600号 中机标准化研究院 网站建设:科伟网络