888.BY集团电子游戏

888.BY集团电子游戏(中国)有限公司官网
888.BY集团电子游戏(中国)有限公司官网

旋转讨论

首页 - 产品展示

888.BY集团电子游戏(中国)有限公司官网

MXQC型 双通路(内管牢靠式)

型号:MXQC
外管:法兰
特征:适用于蒸汽、热油介质;;;;; 双无油轴承支持;;;;; 优化密封环直径;;;;; 可替换性密封底盖;;;;; 最大化轴承间距。 。。。。。。

手艺参数:
适用介质 蒸汽、热油
最高温度 ≤280℃(蒸汽);;;;;≤350℃(热油)
最高压力 ≤2.0MPa
最高转速 ≤300rpm


产品咨询 返回列表

销售服务热线:

0595-8686 1188

888.BY集团电子游戏(中国)有限公司官网


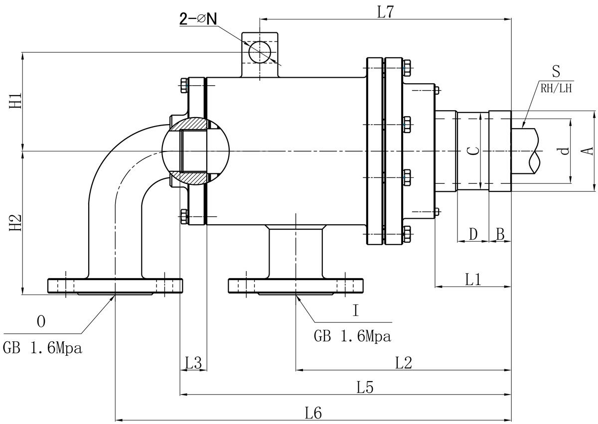
Model I O S d L1 L2 L3 L4 L6 L7 N H1 H2 法兰式外管尺寸比照表
A B C D
65A DN40 DN32 Rc1-1/4" 58 75 195 30 266 415 230 18 106 165 74 19 70 24
80A DN40 DN40 Rc1-1/2" 72 85 225 40 326 440 289 24 110 160 87 25 84 24
90A DN50 DN50 Rc2" 80 100 245 40 346 473 300 25 116 170 100 25 96 30
100A DN65 DN65 Rc2-1/2" 90 105 270 47 400 536 340 25 133 185 114 25 109 35
125A DN100 DN100 Rc3" 125 120 310 60 479 670 450 30 158 215 148 25 142 35
150A DN125 DN125 R4" 140 130 380 60 550 810 430 30 178 260 166 30 160 38
如属规格品外, ,,, ,本公司可配合要求制作。 。。。。。。
规格尺寸若有修改, ,,, ,恕不另行通知。 。。。。。。

Copyright ?888.BY集团电子游戏 版权所有 闽ICP备05026600号 中机标准化研究院 网站建设:科伟网络

【网站地图】【sitemap】